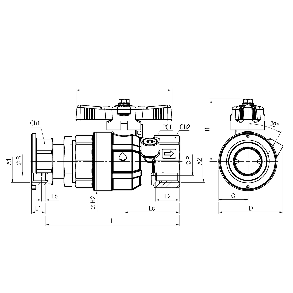
Valvola a sfera per verifica impianto interno UNI-7129 con 1 PCP con farfalla gialla sigillabile GI-F
Articolo GAS
VALVOLE
Valvole a sfera per verifica impianto interno UNI-7129
Parziale
Valvole a sfera per verifica impianto interno UNI-7129
Parziale
| Codice | Peso | Imballo | Imballo Master | M | F | L | T1 | NA | Lb | ØB | L1 | L2 | Lmax | A1 | A2 | Combinazione | Q | Lmin | H1 | ØH2 | ØP | ØDf | i | Ød | nf | Lc | NA | Ch1 | Ch2 | Ch3 | PN-MOP | Kv | NA | NA | NA | NA | NA | NA | NA | NA | NA | NA | PCP | cod. | A3 | NA | NA | |
|---|---|---|---|---|---|---|---|---|---|---|---|---|---|---|---|---|---|---|---|---|---|---|---|---|---|---|---|---|---|---|---|---|---|---|---|---|---|---|---|---|---|---|---|---|---|---|---|---|
| 65894400100 | 0,74 | 0,74 | 40 | 0 | 76 | 106 | 0 | 0 | 3 | 23 | 11 | 19 | 0 | G1 | Rp1 | Gi-F | 0 | 0 | 49 | 46 | 22 | 0 | 0 | 0 | 0 | 44 | 0 | ott.37 | ott.38.5 | 0 | -- | 0 | 23 | 0 | 51 | 0 | 0 | 0 | 0 | 0 | 0 | 0 | G1/8 | 0 | 0 | 0 | Gi con bordino | |
| 65894400619 | 0,74 | 0,74 | 48 | 0 | 76 | 102,5 | 0 | 0 | 4 | 31 | 19 | 13 | 0 | G1.1/4 | Rp1 | Gi-F | 0 | 0 | 48,5 | 46 | 22 | 0 | 0 | 0 | 0 | 44 | 0 | ott.45 | ott.38.5 | 0 | -- | 0 | 0 | 0 | 0 | 0 | 0 | 0 | 0 | 0 | 0 | 0 | G1/8 | 0 | 0 | 0 | Gi con bordino |
Vedi anche...
-
Valvola a sfera acqua a passaggio totale normale tipo Full Ball e 2 scarichi a valle con farfalla sigillabile F GI telescopico -
Manicotto con attacco quadro 24 e foro filettato M8 per asta di manovra con ferro 18 -
Valvola a sfera ingresso contatore gas a passaggio parziale con aletta con cappellotto di sicurezza AG Block F GI -
Valvola a sfera uscita contatore gas a passaggio parziale con aletta con 1 PCP a valle con serratura 651÷685 F GI -
Valvola a sfera per acqua a passaggio totale serie pesante con cappellotto troncopiramidale M F